TN8負載敏感多路換向閥說明書
TN8負載敏感多路換向閥
TN8負載敏感多路換向閥|TN8多路換向閥
用途與特征
TN8負載敏感多路換向閥閥后補償,分片式結構,雙向獨立的壓力補償器對稱安裝在主閥桿內部,電比例操縱模式時附帶應急操作手柄。
內置式壓力補償器使產品外形尺寸更小,極大拓展了閥后補償產品應用領域,如煤礦機械,隨車起重機,高空作業車等。
對于變量或定量系統具有兼容性。
閥體材料可選用鑄鐵或鋼件,最高工作壓力可達35Mpa。電比例及液控模式可內置先導油源。二次溢流閥具有補油功能。
內置式壓力補償器使產品外形尺寸更小,極大拓展了閥后補償產品應用領域,如煤礦機械,隨車起重機,高空作業車等。
對于變量或定量系統具有兼容性。
閥體材料可選用鑄鐵或鋼件,最高工作壓力可達35Mpa。電比例及液控模式可內置先導油源。二次溢流閥具有補油功能。
性能參數
| 通徑 | 公稱壓力 | 公稱流量 | 許用背壓 |
| 15(TN8-15) | 24 | 150 | 2 |
| 22(TN8-22) | 24 | 300 | 2 |

液壓原理圖

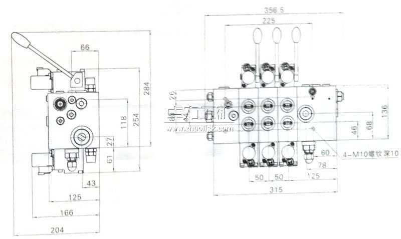
外形及連接尺寸

卓力工礦是國內知名TN8負載敏感多路換向閥生產廠家,有豐富的經驗為客戶提供高品質的TN8負載敏感多路換向閥及完善的售后服務,如果您想了解最新TN8負載敏感多路換向閥價格或者更詳細信息,歡迎撥打服務熱線:
13280082001 18605374511.或者聯系在線客服:
點擊這里、立刻咨詢;我們攜程為您服務!
常見問題:TN8負載敏感多路換向閥發貨時間? TN8負載敏感多路換向閥售后保障? TN8負載敏感多路換向閥訂貨需要提供什么信息?
產品標簽:TN8負載敏感多路換向閥|
TN8多路換向閥
|
上一篇:TQ8負載敏感多路換向閥
下一篇:DP32G負載敏感多路換向閥

鐵路設備
運轉設備
鉆采設備
噴漿支護
提升設備
防爆電器
礦用電氣
通防設備
救援設備
化工設備
路面建筑
園林機械
節能環保設備
水利機械
泵類
電機





















