QFZMG32H-5全負載敏感比例多路換向閥說明書
QFZMG32H-5全負載敏感比例多路換向閥
QFZMG32H-5全負載敏感比例多路換向閥|負載敏感多路換向閥|多路換向閥
用途與特征
QFZMG32H-5全負載敏感比例多路換向閥是我公司為國內大噸位履帶式起重機強夯機研發的具有和力士樂M7-25等同技術水平的先進產品,完全能夠滿足主機液壓系統國產化的需要。
QFZMG32H-5全負載敏感比例多路換向閥是我公司為國內大噸位履帶式起重機強夯機研發的具有和力士樂M7-25等同技術水平的先進產品,完全能夠滿足主機液壓系統國產化的需要。
QFZMG32H-5全負載敏感比例多路換向閥采用L∪DV系統。
L∪DV的含義是與負載壓力無關的流量分配,各L∪D∨壓力補償器均與最高壓力有關。
如果L∪D∨系統內發生流量不足的情況時,即油泵不能提供足夠的流量以所要求的速度去操縱各執行器,則各執行器將按比例減少其運動速度。
L∪DV的含義是與負載壓力無關的流量分配,各L∪D∨壓力補償器均與最高壓力有關。
如果L∪D∨系統內發生流量不足的情況時,即油泵不能提供足夠的流量以所要求的速度去操縱各執行器,則各執行器將按比例減少其運動速度。
LUDV系統的一大優點是:如果各執行元件發生供油不足時,不會有任何執行元件停止工作的情況發生。
QFZMG32H-5全負載敏感比例多路換向閥主要應用于與負載壓力無關的流量分配(L∪DV)的閉式變量泵。
該閥內設有二次壓力安全閥、流量負載壓力補償器、重復精度高、滯環低。
QFZMG32H-5全負載敏感比例多路換向閥主要應用于與負載壓力無關的流量分配(L∪DV)的閉式變量泵。
該閥內設有二次壓力安全閥、流量負載壓力補償器、重復精度高、滯環低。
液壓比例控制,可通過閥芯行程限位進行流量調節。

性能參數

性能參數
| 通徑 | 公稱壓力 | 公稱流量 | 許用背壓 | 先導控制壓力 |
| 32 | 40 | 600 | 3 | 0.6-2.5 |
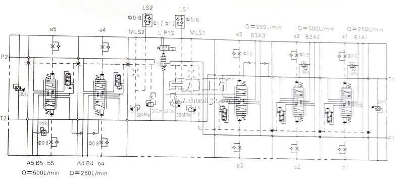
液壓原理圖

外形及連接尺寸

卓力工礦是國內知名QFZMG32H-5全負載敏感比例多路換向閥生產廠家,有豐富的經驗為客戶提供高品質的QFZMG32H-5全負載敏感比例多路換向閥及完善的售后服務,如果您想了解最新QFZMG32H-5全負載敏感比例多路換向閥價格或者更詳細信息,歡迎撥打服務熱線:
13280082001 18605374511.或者聯系在線客服:
點擊這里、立刻咨詢;我們攜程為您服務!
常見問題:QFZMG32H-5全負載敏感比例多路換向閥發貨時間? QFZMG32H-5全負載敏感比例多路換向閥售后保障? QFZMG32H-5全負載敏感比例多路換向閥訂貨需要提供什么信息?
產品標簽:QFZMG32H-5全負載敏感比例多路換向閥|
負載敏感多路換向閥|多路換向閥
|

鐵路設備
運轉設備
鉆采設備
噴漿支護
提升設備
防爆電器
礦用電氣
通防設備
救援設備
化工設備
路面建筑
園林機械
節能環保設備
水利機械
泵類
電機





















